WM06Z-10004
Can't find what you're looking for? Go to the Product Selector
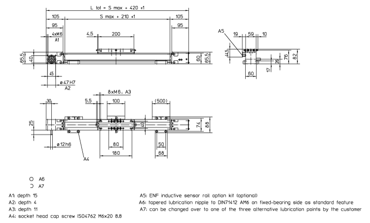
WM06Z120-00500-00920AS-0000, 直線運動單元, WM60Z, 皮帶 Drive, 滾珠 Guide, 0.05 毫米 Repeatability, 500 毫米 Stroke, 920 毫米 Overall Length, 單短滑塊, 120 毫米 Travel Per Shaft Rev, Shaft On Left Side Without Keyway, 2500 Maximum Linear Speed
- 取代
- 中央潤滑所有需潤滑零件
