WH08Z200-00380-00930-CN0000-79
Can't find what you're looking for? Go to the Product Selector
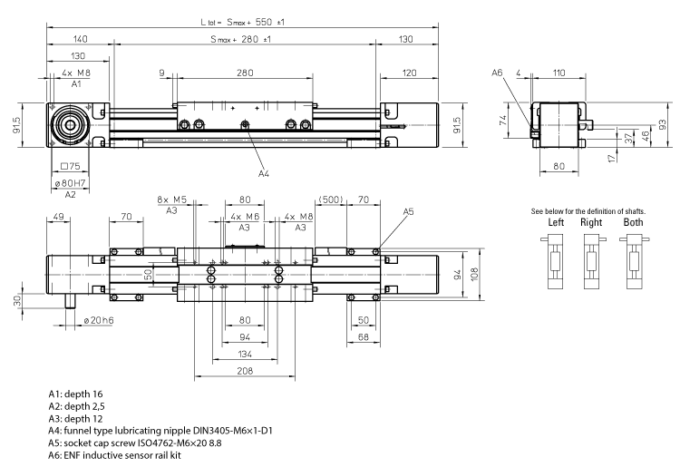
直線運動單元, WH80, 皮帶 Drive, 滾輪 Guide, 0.05 毫米 Repeatability, 380 毫米 Stroke, 930 毫米 Overall Length, 單個標準滑塊, 200 毫米 Travel Per Shaft Rev, Shaft On Left Side With Keyway, 10000 Maximum Linear Speed
- 取代
- 速度最高10 m/s
- Belt Driven
- 帶驅動
